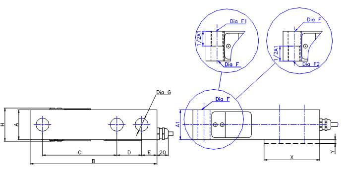
| . Alloy steel products . Moisture-proof glue seal . Measuring range: 3410/250~2000kg 3420/2000~5000kg . Overall accuracy: 0.02% . Protection level: IP67 . OIML 3000 . NTEP 5000 . Explosion proof: EEx ia IIC T6 . Technical parameters: 3410, 3420 . Product size: 3410/3420 . Basic accessories: M3001/M3002 . Module accessories: M3003/M3004 M3044, M3006 65059-TWA, 65082-TWA . Platform scales, drum tank measurement, batching scales, crane rail scales, quantitative systems 3410 technical parameters  3420 technical parameters  3410/3420 product size  | Product number | Measuring range | A | A1 | B | C | D | E | f | DiaF1 | DiaF2 | dG | H | X | Y | | 3410 | 1K,1.5K,2.5K,4Klb | 30.5 | 30.5 | 130 | 76.2 | 25.4 | 16 | 13.5 | M12-6H/1/2-20UNF | | 13.5 | 34 | 57 | 4 | | 250,500,1000kg | 30.5 | 30.5 | 130 | 76.2 | 25.4 | 16 | 13.5 | | M12-6H | 13.5 | 34 | 57 | 4 | | 2000kg | 30.5 | 36 | 130 | 76.2 | 25.4 | 16 | 13.5 | | M12-6H | 13.5 | 34 | 57 | 4 | | 3420 | 5K,7.5K,10K | 37 | 37 | 171.5 | 95.4 | 38.1 | 19 | 19.8 | M18-6H/3/4-16UNF | | 19.8 | 41 | 76 | 7.5 | |