Công ty TNHH công nghệ số Tân Thành

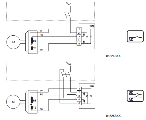
Mô-đun chỉnh lưu động cơ SEW, bộ chỉnh lưu phanh BG1.5 (8253846)

  • Đăng ngày 03-10-2023 06:13:09 PM - 1440 Lượt xem
  • Mã sản phẩm: S004557
  • SEW brake pads: BMG05-BMG1, BMG2-BMG4, BMG15, BM30-BM62
    SEW brake coil: BMG05, BMG1, BMG2, BMG4, BMG8, BM15, BM30-62 BE05 BE1 BE2 BE5 BE11 BE20 BE30 BE32 BE120 BE122
    SEW rectifier block: BG1.2 BG1.5, BG2.4, BG3.0, BGE1.5, BGE3.0, BMP1.5, BMH1.5, BMK1.5, BME1.5, BSG

    Tình trạng sản phẩm:


    The parameter Ue=150…500VAC   I=1.5A is the voltage level that the brake rectifier itself can be connected to, because the brake rectifier itself is a common part;

    But SEW motor brake consists of two parts, ① brake rectifier and ② brake coil. The voltage level of the brake coil is determined. If the brake voltage is not configured according to its requirements, the brake will not be released or the brake will be burned. Coil.


    https://download.sew-eurodrive.com/download/pdf/9PD0049.pdf





         

     

    Mô đun điều khiển biến tần SEW EURODRIVE, MDX61B-00/0T, Control Unit
    Mô đun điều khiển biến tần SEW EURODRIVE, MDX61B-00/0T, Control Unit Liên hệ
    Bộ điều khiển Parker 590C DC speed regulator 590C/35A 590C/70A 590C/110A 590C/150A 590C/180A 590C/270A 590C/380A 590C/500A 591/35a 591C/70A 591C/110A 591C/150A 591C/
    Bộ điều khiển Parker 590C DC speed regulator 590C/35A 590C/70A 590C/110A 590C/150A 590C/180A 590C/270A 590C/380A 590C/500A 591/35a 591C/70A 591C/110A 591C/150A 591C/ Liên hệ
    Biến tần Danfoss/FC-051/Danfoss inverter FC051
    Biến tần Danfoss/FC-051/Danfoss inverter FC051 Liên hệ
    Biến tần Danfoss FC-302PK37T5E20H2XGC FC-302PK55T5E20H2XGC FC-302PK75T5E20H2XGC FC-302P1K1T5E20H2XGC FC-302P1K5T5E20H2XGC FC-302P2K2T5E20H2XGC FC-302P3K0T5E20H2XGC FC-302P4K0T5E20H2XGC FC-302P5K5T5E20H2XGC FC-302P7K5T5E20H2XGC FC-302P11KT5E20H2XGC
    Biến tần Danfoss FC-302PK37T5E20H2XGC FC-302PK55T5E20H2XGC FC-302PK75T5E20H2XGC FC-302P1K1T5E20H2XGC FC-302P1K5T5E20H2XGC FC-302P2K2T5E20H2XGC FC-302P3K0T5E20H2XGC FC-302P4K0T5E20H2XGC FC-302P5K5T5E20H2XGC FC-302P7K5T5E20H2XGC FC-302P11KT5E20H2XGC Liên hệ
    Biến tần, Yaskawa J1000 inverter CIMR-JBBA0001BBA CIMR-JBBA0002BBA CIMR-JBBA0003BBA CIMR-JBBA0006BBA CIMR-JBBA0010BBA CIMR-JB4A0001BBA CIMR-JB4A0002BBA CIMR-JB4A0004BBA CIMR-JB4A0005BBA CIMR-JB4A0007BBA CIMR-JB4A0009BBA CIMR-JB4A0011BBA CIMR-JB2A0002BBA ​
    Biến tần, Yaskawa J1000 inverter CIMR-JBBA0001BBA CIMR-JBBA0002BBA CIMR-JBBA0003BBA CIMR-JBBA0006BBA CIMR-JBBA0010BBA CIMR-JB4A0001BBA CIMR-JB4A0002BBA CIMR-JB4A0004BBA CIMR-JB4A0005BBA CIMR-JB4A0007BBA CIMR-JB4A0009BBA CIMR-JB4A0011BBA CIMR-JB2A0002BBA ​ Liên hệ
    Biến tần, Yaskawa V1000 inverter CIMR-VB4A0001BBA CIMR-VB4A0002BBA CIMR-VB4A0004BBA CIMR-VB4A0005BBA CIMR-VB4A0007BBA CIMR-VB4A0009BBA CIMR-VB4A0011BBA CIMR-VB4A0018FBA CIMR-VB4A0023FBA CIMR-VB4A0031FBA CIMR-VB4A0038FBA CIMR-VBBA0001BBA CIMR-VBBA0002BBA
    Biến tần, Yaskawa V1000 inverter CIMR-VB4A0001BBA CIMR-VB4A0002BBA CIMR-VB4A0004BBA CIMR-VB4A0005BBA CIMR-VB4A0007BBA CIMR-VB4A0009BBA CIMR-VB4A0011BBA CIMR-VB4A0018FBA CIMR-VB4A0023FBA CIMR-VB4A0031FBA CIMR-VB4A0038FBA CIMR-VBBA0001BBA CIMR-VBBA0002BBA Liên hệ
    Biến tần, Inverter E2000-0004S2 E2000-0007S2 E2000-0015S2 E2000-0022S2 E2000-0007T3 E2000-0015T3 E2000-0022T3 E2000-0030T3 E2000-0040T3 E2000-0055T3 E2000-0075T3 E2000-0110T3 E2000-0150T3 E2000-0185T3 E2000-0220T3 E2000-0300T3 E2000-0370T3
    Biến tần, Inverter E2000-0004S2 E2000-0007S2 E2000-0015S2 E2000-0022S2 E2000-0007T3 E2000-0015T3 E2000-0022T3 E2000-0030T3 E2000-0040T3 E2000-0055T3 E2000-0075T3 E2000-0110T3 E2000-0150T3 E2000-0185T3 E2000-0220T3 E2000-0300T3 E2000-0370T3 Liên hệ
    Mô-đun chỉnh lưu động cơ SEW, bộ chỉnh lưu phanh BGE1.5 (8253854)
    Mô-đun chỉnh lưu động cơ SEW, bộ chỉnh lưu phanh BGE1.5 (8253854) Liên hệ
    Mạch ABB inverter module RETA-01 RETA-02 FIO-11 FDCO-01
    Mạch ABB inverter module RETA-01 RETA-02 FIO-11 FDCO-01 Liên hệ
    Mạch SDCS-DSL-4 ABB Inverter DCS800
    Mạch SDCS-DSL-4 ABB Inverter DCS800 Liên hệ
    Delta inverter MS300 single-phase 220/380V0.4/0.75/1.5/2.2/3.7/5.5/7.5KW
    Delta inverter MS300 single-phase 220/380V0.4/0.75/1.5/2.2/3.7/5.5/7.5KW Liên hệ
    Delta ME300 inverter single-phase 220/380V100/200/400/750W/1.5/2.2/3.7KW
    Delta ME300 inverter single-phase 220/380V100/200/400/750W/1.5/2.2/3.7KW Liên hệ

     


    TÂN THÀNH CAM KẾT

    • Sản phẩm, hàng hóa chính hãng.
    • Giá cả cạnh tranh.
    • Dịch vụ chăm sóc khách hàng tận tâm.

    Thông Tin Công Ty

    Đã thông báo

     


    THÔNG TIN LIÊN HỆ:
    -------------------------------
    CÔNG TY TNHH THIẾT BỊ CÔNG NGHIỆP TTH
    Trụ sở: số 124 ngõ 79 Yên Hoà-Cầu giấy-HN
    Kinh doanh 1 : 0816.861.515
    Kinh doanh 2 : 0836.861.515
    Email: tthkinhdoanh@gmail.com
    Email: tthkinhdoanh01@gmail.com

  • Kết nối với chúng tôi